
Przekładnie typu PAT-KWP-4024, są to nowoczesne reduktory zębate, które zostały zaprojektowane jako przekładnie przeznaczone do pracy w kopalniach i technice tunelowej, szczególnie jako napęd organów urabiających kombajnu chodnikowego np. AM-75.
Przekładnie tego typu mogą być stosowane do pracy w podziemnych zakładach górniczych w polach niemetanowych i metanowych w strefie zagrożenia wybuchem pyłu węglowego i metanu, wykonane w standardzie spełniającym wymagania dyrektywy ATEXn.
- Moc przenoszona długotrwale dla obliczeniowego współczynnika bezpieczeństwa KA=2,0:
P = 200 kW (i = 34,618),
dla n1 = 1480 obr.min.-1,
gdzie: P – moc, i – przełożenie całkowite reduktora, n1 – prędkość obrotowa wału napędowego.
Moment znamionowy na wejściu Mzn = 1290 Nm
Maksymalny krótkotrwały moment obrotowy na wyjściu: 133300 Nm w czasie 3s.
Przełożenie dokładne (iD) i moment wyjściowy Nm (MWYJ).
|
iD |
26,746 * |
34,618 |
| MWYJ [Nm] | 34502 | 44657 |
* Przełożenie i = 26,746 wymaga dodatkowych uzgodnień technicznych przed zamówieniem przekładni.
| Masa bez oleju – 3235 kg | Ilość oleju – 65 l |

Dodatkowe informacje:
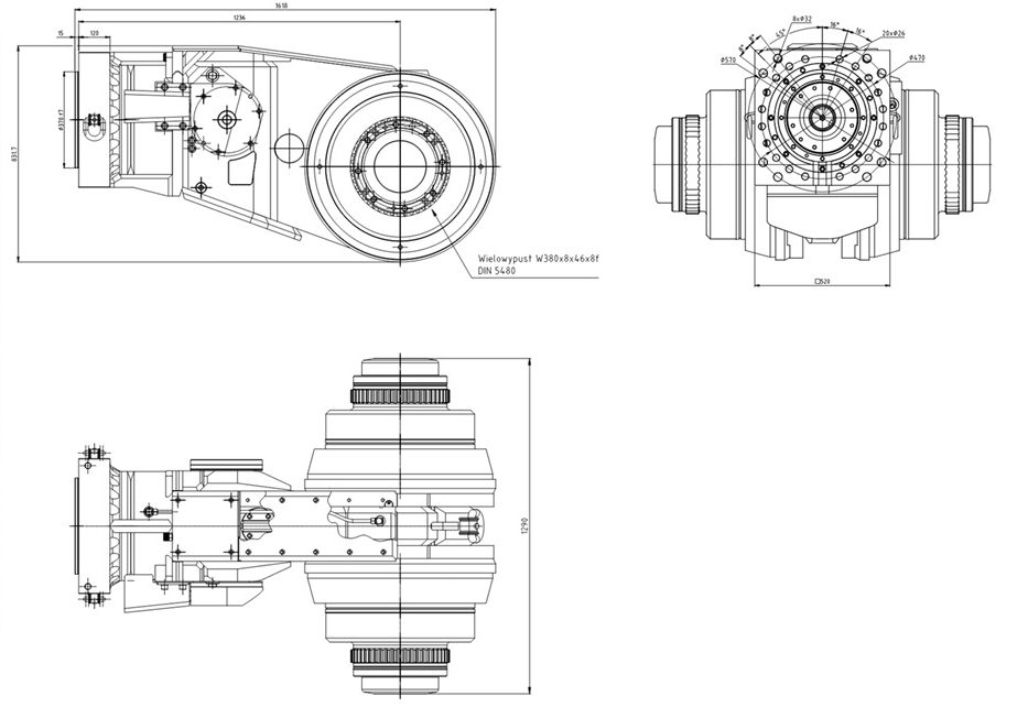
- Wykonanie standardowe I M2 Ex h I Mb z wałem wyjściowym dwustronnym z wielowypustem W380x8x46x8f.
Zastosowanie: napędu organów urabiających